1/1

制御盤とラダーソフト設計資料 温水センター設備

制御盤とラダーソフト設計資料 温水センター設備案内状v001.pdf

¥500

ダウンロード販売の商品
購入後にDL出来ます (212666バイト)

制御盤のハード設計からシーケンサI/O配置までの設計資料です。

設備の図面を基に

制御盤のハード設計をする上で必要な図面などを添付してあります。

単なる制御盤だけの図面だけではイメージもわかないので、

機械フロー図を眺めながらどのように制御していくのかイメージトレーニングしてください。

フローチャートがありますので、ラダー回路をつくるために

どの様にするのかが分かります。

フローチャートを元にラダーシーケンスを作成します。

フローチャートとラダーシーケンスを見比べて回路構成を理解しましょう。

ラダー回路は、PDFとラダーソフトを添付しているので、GX Works2 と GX Developer がなくても学習できます。



◆◆◆ 資料内容 ◆◆◆

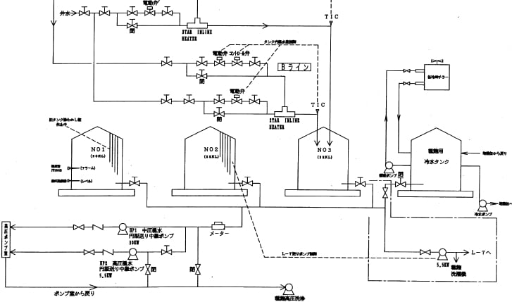
温水センターの温水をためて送るだけの装置です。

最終図は改造追加したラダー回路となっています。

改造前の図面と改造追加図面を分けてあります。

今後、ソフトの改造等も視野に入れて検討することも要求されます。

何処をどのように改造したのか想像してプログラムを見ることも大事な事です。


ラダープログラムはGX Developer で作成しています。

975ステップで、メインの動作プログラムは、

200ステップぐらいですので、簡単に理解できると思います。


*************************************************************************


1)温水センター温水配管図

2)温水センター信号回路(フローチャート)

3)温水センター制御盤ハード回路

4)温水センター制御盤ラダー回路

5)温水センター制御盤ハード回路改造追加部分

6)温水センターラダー回路(ソフト回路)

7)温水センターI/O


*************************************************************************

ラダーソフトはGX Works2、タッチパネルソフトGT Works3が必要となります

持ってない方は

こちらで購入できます

三菱ソフトウェア GX Works2、GX Works3、iQ Works ライセンス



通常ライセンス SW2DND-iQWK-J  ¥220,000-(税抜) 先払\127,000-(税抜)

追加ライセンス SW2DND-iQWK-JAZ \40,000- 先払\35,000-(税抜)

以下よりメール連絡でもOKです

*************************************************************************

お問い合わせはこちらよりメールしてください

http://mitsubishi-plc.xyz/?page_id=435


サイト運営者
(有)ケイエス企画 かつしか

所在地
千葉県野田市山崎2504

連絡先
メールアドレス [email protected]

電話番号 050-1213-4813

Currently international shipping unavailable
  • レビュー

    (1)

¥500

最近チェックした商品
    その他の商品